会员服务
|
网站地图
新闻搜索
请选择分类
集团动态
通知公告
行业动态
其他新闻
首页 -> 新闻中心
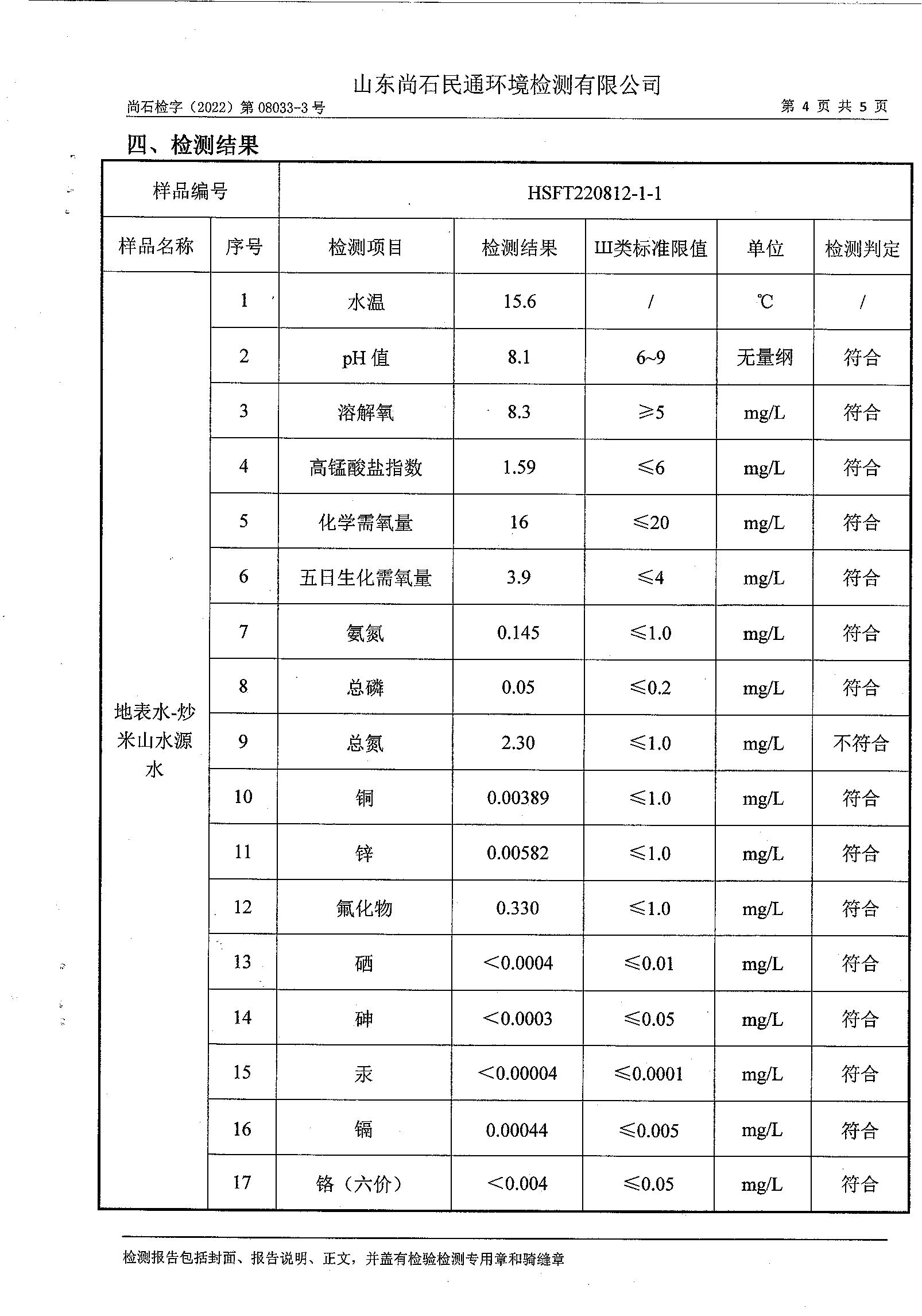
淄博沣泰供水服务有限公司地表水月检报告
点击次数:283
来源:网站管理员 发布时间:2022/8/22 10:03:54
版权所有:山东彤泰控股集团有限公司 地址:淄博市张店区沣水镇政府东500米 电话:0533-2086618 Email:
tongtaijt2008@126.com
鲁ICP备10200129号
本站关键词:
鲁中公铁联运物流园
|
铁路运输
|
物流
|
集装箱
|
储备货场
|
自来水
|
桶装水
|
石灰石
|
铁精粉
|
铁矿粉